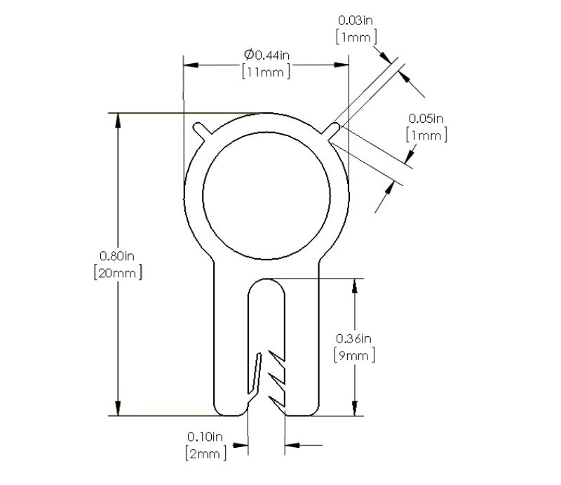
This trim seal’s PVC construction is flexible and durable, withstanding temperatures from -40°F to 212°F (-40°C to 100°C). It features a 7/16” EPDM bulb, allowing for a seal between the intake and vehicle. Integrated aluminum retaining clips provide excellent grip retention. Its co-extruded design helps prevent the common separation between the bulb and edge trim. On some cold air intake applications, the 7/16” EPDM bulb allows for a complete seal against the vehicle’s hood, fender well, or air inlet – making for reduced vibration, as well as protection from dust, moisture, and other elements. It’s designed to attach perfectly to 1/16” thick edges and will fit edges ranging from 1/32” to 1/8” thick. This trim seal fits a large number of aFe POWER’s cold air intake systems, but can be used for a variety of other applications as well. It’s most commonly used to replace existing worn-out trim seal. For aFe POWER parts, refer to your cold air intake’s instruction sheet to confirm the required trim seal size.